智能电磁春水堂视频成人管道安装要求
1、为了电磁春水堂视频成人的安装、维护、保养方便,电磁春水堂视频成人周围需保留足够的空间
2、避免电磁春水堂视频成人安装在温度变化很大或受到设备高温辐射的场所
3、春水堂视频成人应安装在室内,如安装在室外,应避免阳光直射,必要时请安装防晒防水装置
4、避免春水堂视频成人安装在含有腐蚀性气体的环境中
5、避免春水堂视频成人安装在有强振动源、强磁场的场所
6、 上、下游工艺管的内径与春水堂视频成人的内径应满足:0.98DN≤D≤1.05DN(DN:春水堂视频成人内径;D:工艺管内径)
7、工艺管与春水堂视频成人需同心,同轴偏差不大于0.05DN
泵的安装如图

阀的安装

弯曲管道上春水堂视频成人的安装

智能电磁春水堂视频成人敞口排放前安装

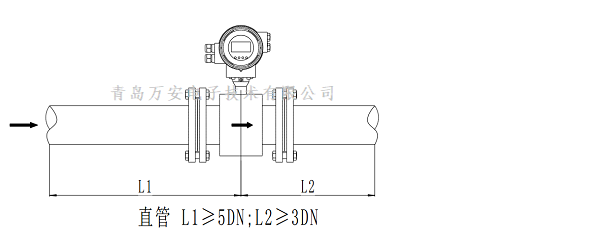
直管段要求
1、水平管道上安装智能电磁春水堂视频成人直管段要求

2、有弯头管道对电磁春水堂视频成人安装要求

3、缩颈管道对电磁春水堂视频成人安装直管段的要求

4、扩径管道对电磁春水堂视频成人安装直管段的要求

5、泵下游安装电磁春水堂视频成人对直管段的要求

关键词描述:防爆电磁春水堂视频成人,国产电磁春水堂视频成人,污水电磁春水堂视频成人,进口电磁春水堂视频成人,智能电磁春水堂视频成人,分体式电磁春水堂视频成人,一体式电磁春水堂视频成人,高压电磁春水堂视频成人,电磁春水堂视频成人厂家,电磁春水堂视频成人安装,电磁春水堂视频成人价格,插入式电磁春水堂视频成人,电磁春水堂视频成人工作原理
联系方式:0532-67731362 /0532-67731361
微信公众号